水阻柜正常工作時,液體溫度設定在0~70℃以內,每次啟動溫升15℃左右,可以連續啟動3次左右,如果超過這個溫度,就得檢查解決,襄陽帥龍有限公司來分析一下水阻柜水溫高的原因,以及處理辦法水阻柜溫度高怎么辦。

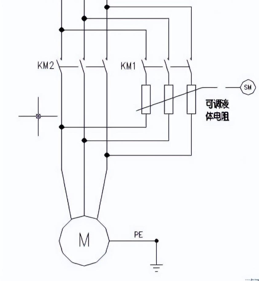
上圖是高壓水阻柜一次電路圖,M是主電機,啟動時KM1合閘, KM2分閘,啟動完成時KM2合閘,KM1分開,這個邏輯關系是靠PLC控制完成的,每臺水阻柜內都會裝一臺PLC,當然還得接合上端的高壓柜和水阻柜內的溫度、報警等其他輸入、輸出點來共同完成一個啟動過程。
上面講了水阻柜正常工作過程,下面來分析水阻柜溫度高的原因,從兩個方面來看,水阻柜溫度高這個現象是什么時候出現的,一個是新購買的水阻柜,一開始用水阻柜溫度就高,另一個是用了很久的水阻柜一直正常,突然出現了溫度高。下圖是襄陽源創工業控制有限公司生產的水阻柜,是不是很精致呢?
如果是第一種情況,先把PLC的程序調出來檢查,看一下邏輯控制是否正常,像上面所講,啟動完成后KM1要分開,如果KM1一直沒有分開就會引起水阻柜溫度高,或者啟動完成后KM2一直沒有合閘,也會引起水阻柜溫度高,也就是說在電機啟動后水阻柜還在工作,先檢查程序是否正常,再排查線路和KM1、KM2這兩個真空接觸器,直至找到問題,水阻柜溫度高怎么辦?這個問題是不是已經解決了。
再來看第二種情況,如果是用了很久的水阻柜突然出現了這種問題,也要先查PLC,看看程序是不是因為失電有丟失,如果是就重新上傳程序,再檢查KM1、KM2這兩個真空接觸器有沒有損壞,若有損壞就換掉,這樣水阻柜溫度高的原因是不是找到了,看完這篇文章你是不是學會了水阻柜溫度高怎么辦。
當前位置:
熱門推薦






































































































推薦新聞
在線留言
詳情內容